Low pass: Unterschied zwischen den Versionen
Keine Bearbeitungszusammenfassung |
Keine Bearbeitungszusammenfassung |
||
| Zeile 19: | Zeile 19: | ||
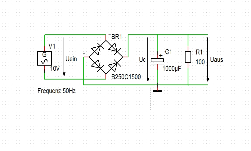
[[image:lowpass.jpg | [[image:lowpass.jpg|dies ist eine Grundschaltung|Hauptartikel Grundschaltungen]] | ||
Version vom 14. Oktober 2015, 11:37 Uhr
lakjsljaksdljkadsljkaljdk
Felix Lowpass.pdf|Dies ist eine Grundschaltung
| Das ist die zweite Zelle | |
| Das ist die zweite Reihe, erste Zelle | Das ist die zweite Reihe, zweite Zelle |


